L: 310 mm. Poznámka: -kované, karbonová ocel
Jsou vyrobeny z chrom-vanadiové oceli (kromě modelů označených *, které jsou vyrobeny ze zápustkově kované uhlíkové ocel
obalovaný HI-POWER / délka 2425mm / šířka 13mm / výška 8mm / profil 13/A / označení Řemen klínový klasický / výrobce GAT
Špičkový řemen Super XE-Power Pro nahrazuje starší označení Super X-Power a Super E-Power
Standardní kvalita / počet zubů 64 / délka 192mm / šířka 15mm / profil 3M / označení POWERGRIP HTD / výrobce Gates
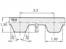
Standardní kvalita / počet zubů 114 / délka 285mm / šířka 12mm / profil T2,5 / označení ALPHA TORQUE / výrobce Optibelt
Volejte 515 262 075 nebo mi napište zprávu Zákaznický servis
Jsme na trhu 30 let Stále zlepšujeme služby
Expedujeme ihned při objednávce do 14 hod
Bezplatná výměna
Omyl v objednávce?
Není problém