FAG B71900-C-2RSD-T-P4S-UL vřetenové ložisko

Výrobce:
FAG
Kód artiklu:
324300
Katalogové číslo:
L.71900 CTP4SUL FAG
Množství skladem
0 ks
Skladem u dodavatele
84 ks - do 4 pracovních dnů
Minimální objednatelné množství:
1 ks
Zboží doručíme 22. 4. 2026
Cena s DPH 4 404,40 Kč
Cena bez DPH 3 639,80 Kč
Popis produktu
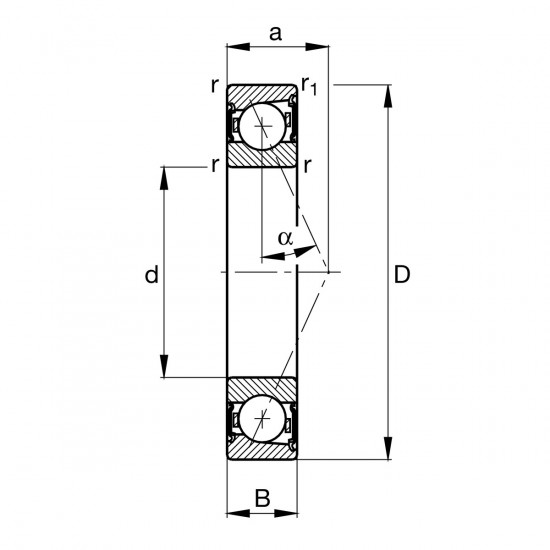
FAG B 71900-C-2RSD-T-P4S-UL - přesné nerozebíratelné jednořadé kuličkové ložisko s kosoúhlým stykem, se stykovým úhlem 15°, lehkou klecí z fenolické pryskyřice zesílené textilní tkaninou vedenou osazením vnějšího kroužku, univerzálně párovatelné s lehkým předpětím.Ložisko může přenášet axiální zatížení jen v jednom směru, proto je obvykle nastaveno proti druhému ložisku.Vnitřní vůle jednořadých kuličkových ložisek s kosoúhlým stykem je dosažena až po montáži a závisí na nastavení axiální polohy vůči druhému ložisku, které zajišťuje axiální vedení v opačném směru.Ložiska pro univerzální párování jsou montována po dvojicích a jsou vyráběna tak, aby při sestavení pro axiální zatížení v jednom směru tj. do tandemu, nebo pro axiální zatížení v obou směrech tj. zády k sobě do "O" nebo čely k sobě do "X" bylo dosaženo předem určené vnitřní vůle či předpětí anebo rovnoměrného rozložení zatížení bez použití vyrovnávacích podložek.
Parametry
Číslo výrobce 038721902-0000
Materiál ocel
Profil díry válcová
Průměr d (mm) 10
Průměr D (mm) 22
Přesnost P4
Šířka B (mm) 6
Šířka W (mm) 358263
Typ vřetenové ložisko
Značení B71900-C-2RSD-T-P4S-UL
Značka výrobce FAG
Související
Zobrazuji zboží 1 - 4 z 4
  • Klíč očkoplochý DIN 3113 24 mm, Kennedy KEN5822770K

    Klíč očkoplochý DIN 3113 24 mm, Kennedy KEN5822770K - N1
    Kód artiklu: 110156

    Jsou vyrobeny z chrom-vanadiové oceli (kromě modelů označených*, které jsou vyrobeny ze zápustkově kované uhlíkové oceli

    295,24 Kč s DPH
    243,99 Kč
    Skladem 4 ks
    Při nákupu 1 ks je cena za 1 ks: 295,24 Kč 243,99 Kč bez DPH
  • Trychtýř plastový pr. 160 mm s kovovou trubicí 300 mm, pr.výstupu 18 mm PRESSOL 02 675

    Trychtýř plastový pr. 160 mm s kovovou trubicí 300 mm, pr.výstupu 18 mm PRESSOL 02 675 - N1
    Kód artiklu: 670102

    Trychtýř průměr: 160. Objem: 1300 cm3.

    354,61 Kč s DPH
    293,05 Kč
    Skladem 5 ks
    Při nákupu 1 ks je cena za 1 ks: 354,61 Kč 293,05 Kč bez DPH
  • Hadicová spona MINI W1 7-9/9 pozink

    Hadicová spona MINI W1 7-9/9 pozink - N1
    Kód artiklu: 490080

    Hadicová spona MINI W1

    3,90 Kč s DPH
    3,22 Kč
    Skladem 21238 ks
    Při nákupu 1 ks je cena za 1 ks: 3,90 Kč 3,22 Kč bez DPH
    Při nákupu 100 ks je cena za 1 ks: 3,12 Kč 2,58 Kč bez DPH
  • Lubline Glide 150 - 208 L olej na kluzná vedení

    Lubline Glide 150 - 208 L olej na kluzná vedení - N1
    Kód artiklu: 941181

    Multifunkční ropný olej ISO VG 150 pro hydrostatické mechanismy, převody a kluzná vedení. Splňuje normy DIN 51502 CGLP a ISO L-G/CKC/HM s vysokou únosností mazacího filmu.

    26 035,54 Kč s DPH
    21 515,77 Kč
    Není skladem

  • Jsme na trhu 30 let Stále zlepšujeme služby

  • Expedujeme ihned při objednávce do 14 hod

  • Bezplatná výměna Omyl v objednávce?
    Není problém

Výhody nákupu

75435 produktů máme skladem
97 % spokojených zákazníků
96 % zásilek odesláných do 48 hodin

Ověřeno našimi zákazníky

Rozdílný sortiment pod jednou střechou
neznámý 3. 4. 2026
nakupuji poměrně často, doporučuji
neznámý 22. 3. 2026