Ložiska kuličková s kosoúhlým stykem 38.. dvouřadá 3805 INA 3805-2RS kuličkové ložisko s kosoúhlým stykem

INA 3805-2RS kuličkové ložisko s kosoúhlým stykem

Výrobce:
INA
Kód artiklu:
328254
Katalogové číslo:
L.3805-2RS
Množství skladem
2 ks
Skladem u dodavatele
15 ks - do 4 pracovních dnů
Minimální objednatelné množství:
1 ks
Skladem Když objednáte do 14:00 hodin, zboží doručíme 9. 12. 2025
Cena s DPH 857,69 Kč
Cena bez DPH 708,80 Kč
Množství od Cena bez DPH/ks Cena s DPH/ks Celkem s DPH
1 ks 708,80 Kč 857,69 Kč 857,69 Kč
Popis produktu
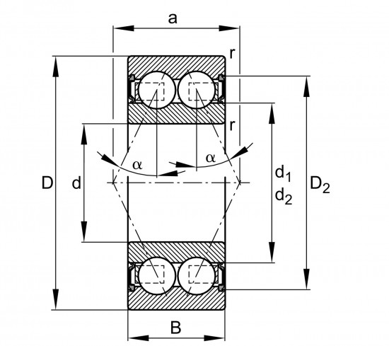
INA 3805-2RS - nerozebíratelné dvouřadé kuličkové ložisko s kosoúhlým stykem, plastovou klecí z polyamidu zesíleného skelnými vlákny vedenou dvěma řadami kuliček, oboustranným třecím těsněním a s normální axiální vůlí.
Těsnění jsou vyrobena z olejivzdorné a otěruvzdorné pryže, která je navulkanizovaná mezi ocelové kroužky a jsou zalisována do zápichů ve vnějším kroužku. Těsnící břity se opírají o zkosené hrany vnitřního kroužku. Ložisko je naplněno kvalitním plastickým mazivem s teplotním rozsahem od -40°C do +120°C pro celou dobu životnosti ložiska.
Ložisko má stykový úhel 25° a valivá tělesa jsou uspořádána jako u sdružené dvojice jednořadých kuličkových ložisek s kosoúhlým stykem v konfiguraci "O", tedy zády k sobě. Ložisko může přenášet radiální i obousměrná axiální zatížení.

Způsoby balení

Název Množství Skladem
ks 1 2
Parametry
Číslo výrobce 000996459-0000
Klec polyamidová
Materiál ocel
Profil díry válcová
Průměr d (mm) 25
Průměr D (mm) 37
Šířka B (mm) 10
Šířka W (mm) 328204
Teplota maximální °C +120
Teplota minimální °C -20
Těsnění oboustranné - pryž
Tvar vnějšího kroužku bez příruby / drážky
Typ kuličkové ložisko s kosoúhlým stykem
Úhel ( ° ) není udáno, většinou 30-40°
Vůle normální
Značení 3805-2RS
Značka výrobce INA
Související
Zobrazuji zboží 1 - 4 z 4
  • Molykote HSC Plus 250 g

    Molykote HSC Plus 250 g - N1
    Kód artiklu: 985176

    Molykote HSC Plus 250 g

    882,93 Kč s DPH
    729,65 Kč
    Skladem 3 ks
    Při nákupu 1 ks je cena za 1 ks: 882,93 Kč 729,65 Kč bez DPH
    Při nákupu 3 ks je cena za 1 ks: 874,10 Kč 722,36 Kč bez DPH
    Při nákupu 5 ks je cena za 1 ks: 874,10 Kč 722,36 Kč bez DPH
    Při nákupu 10 ks je cena za 1 ks: 865,27 Kč 715,06 Kč bez DPH
  • Loctite SF 7455 - 25 ml aktivátor pro vteřinová lepidla

    Loctite SF 7455 - 25 ml aktivátor pro vteřinová lepidla - N1
    Kód artiklu: 981392

    Loctite SF 7455 - 25 ml aktivátor pro vteřinová lepidla

    351,94 Kč s DPH
    290,84 Kč
    Skladem 19 ks
    Při nákupu 3 ks je cena za 1 ks: 348,42 Kč 287,93 Kč bez DPH
    Při nákupu 5 ks je cena za 1 ks: 348,42 Kč 287,93 Kč bez DPH
    Při nákupu 10 ks je cena za 1 ks: 344,90 Kč 285,03 Kč bez DPH
  • ISOLDA hydratační 100g - včelí vosk

    prázdný obrázek
    Kód artiklu: 150356

    34,85 Kč s DPH
    28,80 Kč
    Skladem 16 ks
    Při nákupu 1 ks je cena za 1 ks: 34,85 Kč 28,80 Kč bez DPH
  • Ergo 3120 - 310 ml RTV silikon červený (MEKO-free)

    Ergo 3120 - 310 ml RTV silikon červený (MEKO-free) - N1
    Kód artiklu: 979067

    702,83 Kč s DPH
    580,82 Kč
    Není skladem
    Při nákupu 3 ks je cena za 1 ks: 695,80 Kč 575,01 Kč bez DPH
    Při nákupu 6 ks je cena za 1 ks: 688,77 Kč 569,20 Kč bez DPH
    Při nákupu 12 ks je cena za 1 ks: 681,75 Kč 563,40 Kč bez DPH

  • Jsme na trhu 30 let Stále zlepšujeme služby

  • Expedujeme ihned při objednávce do 14 hod

  • Bezplatná výměna Omyl v objednávce?
    Není problém