Ložiska kuličková naklápěcí 23..K kuželová díra 2307K SKF 2307 EKTN9/C3 naklápěcí kuličkové ložisko

SKF 2307 EKTN9/C3 naklápěcí kuličkové ložisko

Výrobce:
SKF
Kód artiklu:
323337
Katalogové číslo:
L.2307K TN C3 SKF
Množství skladem
2 ks
Skladem u dodavatele
235 ks - do 4 pracovních dnů
Minimální objednatelné množství:
1 ks
Skladem Zboží doručíme 14. 4. 2026
Cena s DPH 1 497,50 Kč
Cena bez DPH 1 237,53 Kč
Množství od Cena bez DPH/ks Cena s DPH/ks Celkem s DPH
1 ks 1 237,53 Kč 1 497,50 Kč 1 497,50 Kč
Popis produktu
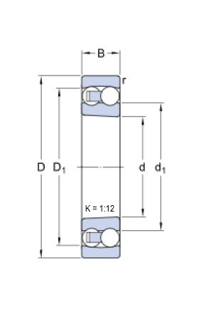
SKF 2307 EKTN9/C3 - nerozebíratelné dvouřadé naklápěcí kuličkové ložisko s kuželovou dírou 1:12, optimalizovanou vnitřní konstrukcí, plastovou klecí z polyamidu 6,6 zesíleného skelnými vlákny vedenou dvěma řadami kuliček a s radiální vůlí větší než normální.
Vnější kroužek má společnou kulovou oběžnou dráhu pro obě řady kuliček, čímž umožní naklopení ložiska a vyrovnání nesouososti, nebo průhybu hřídele vzhledem k tělesu. Ložisko může pracovat při teplotách až do +120°C.
Ložisko se upevňuje na válcovou hřídel pomocí upínacího pouzdra H 2307.

Způsoby balení

Název Množství Skladem
ks 1 2
Parametry
Klec polyamidová
Materiál ocel
Profil díry kuželová (1:12)
Průměr d (mm) 35
Průměr D (mm) 80
Šířka B (mm) 31
Teplota maximální °C +120
Teplota minimální °C -30
Těsnění bez těsnění
Typ naklápěcí kuličkové ložisko
Vůle C3 - mírně zvětšená
Značení 2307 EKTN9/C3
Značka výrobce SKF
Alternativní zboží
Zobrazuji zboží 1 - 1 z 1

Související
Zobrazuji zboží 1 - 3 z 3
  • Rýsovací jehla přímá, 255340, 150 mm /3025/

    Rýsovací jehla přímá, 255340, 150 mm /3025/ - N1
    Kód artiklu: 117368

    Hmotnost: 0,009 kg. Průměr: 3 mm. Délka: 150 mm.

    33,03 Kč s DPH
    27,30 Kč
    Skladem 117 ks
    Při nákupu 1 ks je cena za 1 ks: 33,03 Kč 27,30 Kč bez DPH
  • Tangit Uni-Lock - 160 m těsnící vlákno

    Tangit Uni-Lock - 160 m těsnící vlákno - N1
    Kód artiklu: 981650

    Tangit Uni-Lock těsnící vlákno na závity. Na utěsnění závitů potrubí pitné a odpadní vody.

    257,66 Kč s DPH
    212,93 Kč
    Skladem 628 ks
    Při nákupu 5 ks je cena za 1 ks: 255,08 Kč 210,80 Kč bez DPH
    Při nákupu 10 ks je cena za 1 ks: 252,51 Kč 208,67 Kč bez DPH
    Při nákupu 20 ks je cena za 1 ks: 252,51 Kč 208,67 Kč bez DPH
  • Lubline Cool EOPS 3050 Plus - 208 L obráběcí kapalina

    Lubline Cool EOPS 3050 Plus - 208 L obráběcí kapalina - N1
    Kód artiklu: 941111

    Polosyntetická vodou mísitelná obráběcí kapalina s EP/AW aditivy pro CNC obrábění hliníku a ocelí. Vytváří stabilní mléčnou emulzi s vysokou odolností vůči tvrdé vodě a neobsahuje formaldehyd.

    48 136,27 Kč s DPH
    39 779,81 Kč
    Není skladem

  • Jsme na trhu 30 let Stále zlepšujeme služby

  • Expedujeme ihned při objednávce do 14 hod

  • Bezplatná výměna Omyl v objednávce?
    Není problém