Ložiska kuličková s kosoúhlým stykem 32.. (52..) dvouřadá 3204 (5204) kontaktní těsnění SKF 3204 A-2RS1TN9/MT33 kuličkové ložisko s kosoúhlým stykem

SKF 3204 A-2RS1TN9/MT33 kuličkové ložisko s kosoúhlým stykem

Výrobce:
SKF
Kód artiklu:
327178
Katalogové číslo:
L.3204-2RS SKF
Množství skladem
25 ks
Skladem u dodavatele
971 ks - do 3 pracovních dnů
Minimální objednatelné množství:
1 ks
Skladem Když objednáte do 14:00 hodin, zboží doručíme 23. 4. 2026
Cena s DPH 903,15 Kč
Cena bez DPH 746,36 Kč
Množství od Cena bez DPH/ks Cena s DPH/ks Celkem s DPH
1 ks 746,36 Kč 903,15 Kč 903,15 Kč
Popis produktu
SKF Explorer 3204 A-2RS1TN9/MT33 - nerozebíratelné dvouřadé kuličkové ložisko s kosoúhlým stykem s optimalizovanou vnitřní konstrukcí bez plnících drážek, plastovou klecí z polyamidu 6,6 zesíleného skelnými vlákny vedenou dvěma řadami kuliček, oboustranným třecím těsněním a s normální axiální vůlí.
Těsnění jsou vyrobena z olejivzdorné a otěruvzdorné pryže, která je navulkanizovaná na kovovou výztuhu a jsou zalisována do zápichů ve vnějším kroužku. Těsnící břity se opírají o zkosené hrany vnitřního kroužku. Ložisko je naplněno kvalitním plastickým mazivem třídy 3 dle stupnice NLGI s teplotním rozsahem od -30°C do +120°C pro celou dobu životnosti ložiska.
Ložisko má stykový úhel 30° a valivá tělesa jsou uspořádána jako u sdružené dvojice jednořadých kuličkových ložisek s kosoúhlým stykem v konfiguraci "O", tedy zády k sobě. Ložisko může přenášet radiální i obousměrná axiální zatížení.
Ložiska SKF třídy Explorer představují novou třídu výkonných valivých ložisek, nabízí podstatné zvýšení hlavních provozních parametrů, jako jsou hlučnost, vibrace, vývin tepla, provozní spolehlivost, dynamická únosnost a jsou vyráběna s vyšší přesností než normální. Přesnost rozměrů odpovídá třídě přesnosti P6.

Způsoby balení

Název Množství Skladem
ks 1 25
Parametry
Klec plastová
Materiál ocel
Profil díry válcová
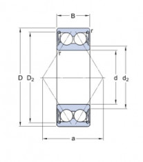
Průměr d (mm) 20
Průměr D (mm) 47
Šířka B (mm) 20,6
Těsnění oboustranné - pryž
Typ kuličkové ložisko s kosoúhlým stykem
Vůle normální
Značení 3204 A-2RS1TN9/MT33
Značka výrobce SKF
Alternativní zboží
Zobrazuji zboží 1 - 2 z 2
  • FAG 3204-BD-XL-2HRS-TVH kuličkové ložisko s kosoúhlým stykem

    FAG 3204-BD-XL-2HRS-TVH kuličkové ložisko s kosoúhlým stykem - N1
    Kód artiklu: 327176

    TOP kvalita / d=20 mm, D=47 mm, B=20,6 mm - kuličkové ložisko s kosoúhlým stykem 3204-BD-XL-2HRS-TVH - výrobce FAG

    746,98 Kč s DPH
    617,30 Kč
    Skladem 184 ks
    Při nákupu 1 ks je cena za 1 ks: 746,98 Kč 617,30 Kč bez DPH
  • SKF 3204 A-2RS1/MT33 kuličkové ložisko s kosoúhlým stykem

    SKF 3204 A-2RS1/MT33 kuličkové ložisko s kosoúhlým stykem - N1
    Kód artiklu: 327179

    TOP kvalita / d=20 mm, D=47 mm, B=20,6 mm - kuličkové ložisko s kosoúhlým stykem 3204 A-2RS1/MT33 - výrobce SKF

    960,16 Kč s DPH
    793,48 Kč
    Skladem 307 ks
    Při nákupu 1 ks je cena za 1 ks: 960,16 Kč 793,48 Kč bez DPH

Související
Zobrazuji zboží 1 - 5 z 5
  • Orlen Agro STOU 10W-30 - 20 L multifunkční olej pro traktory

    Orlen Agro STOU 10W-30 - 20 L multifunkční olej pro traktory - N1
    Kód artiklu: 951071

    Multifunkční minerální olej typu STOU pro motory, převodovky a hydrauliky zemědělské techniky. Splňuje specifikace API CG-4/GL-4 a SAE 10W-30, vhodný pro mokré brzdy a systémy Powershift.

    2 392,30 Kč s DPH
    1 977,00 Kč
    Skladem 1 ks
    Při nákupu 1 ks je cena za 1 ks: 2 392,30 Kč 1 977,00 Kč bez DPH
  • Molykote Omnigliss - 400 ml penetrační olej, sprej

    Molykote Omnigliss - 400 ml penetrační olej, sprej - N1
    Kód artiklu: 985269

    Nízkoviskózní penetrační olej s tuhými mazivy a inhibitory koroze pro mazání řetězů a spojů v rozsahu -30 °C až +80 °C. Vyznačuje se vysokou svarovou zátěží 2900 N a vynikající vzlínavostí.

    341,80 Kč s DPH
    282,46 Kč
    Skladem 14 ks
    Při nákupu 3 ks je cena za 1 ks: 338,38 Kč 279,64 Kč bez DPH
    Při nákupu 6 ks je cena za 1 ks: 334,96 Kč 276,81 Kč bez DPH
    Při nákupu 12 ks je cena za 1 ks: 331,55 Kč 273,99 Kč bez DPH
  • Hadicová spona GBS W1 188-200

    Hadicová spona GBS W1 188-200 - N1
    Kód artiklu: 490629

    Hadicová spona GBS W1

    64,83 Kč s DPH
    53,58 Kč
    Skladem 2354 ks
    Při nákupu 1 ks je cena za 1 ks: 64,83 Kč 53,58 Kč bez DPH
    Při nákupu 10 ks je cena za 1 ks: 58,35 Kč 48,22 Kč bez DPH
  • Kartáč umývací náhradní

    prázdný obrázek
    Kód artiklu: 141309

    197,01 Kč s DPH
    162,81 Kč
    Skladem 1 ks
    Při nákupu 1 ks je cena za 1 ks: 197,01 Kč 162,81 Kč bez DPH
  • Ceresit Stop Vlhkosti PEARL náhradní tablety 3v1 2x300 g energické ovoce

    Ceresit Stop Vlhkosti PEARL náhradní tablety 3v1 2x300 g energické ovoce - N1
    Kód artiklu: 981688

    200,88 Kč s DPH
    166,01 Kč
    Skladem 6 ks
    Při nákupu 1 ks je cena za 1 ks: 200,88 Kč 166,01 Kč bez DPH
    Při nákupu 2 ks je cena za 1 ks: 198,87 Kč 164,35 Kč bez DPH
    Při nákupu 4 ks je cena za 1 ks: 196,86 Kč 162,69 Kč bez DPH
    Při nákupu 6 ks je cena za 1 ks: 196,86 Kč 162,69 Kč bez DPH

  • Jsme na trhu 30 let Stále zlepšujeme služby

  • Expedujeme ihned při objednávce do 14 hod

  • Bezplatná výměna Omyl v objednávce?
    Není problém

Výhody nákupu

75574 produktů máme skladem
97 % spokojených zákazníků
96 % zásilek odesláných do 48 hodin

Ověřeno našimi zákazníky

Rozdílný sortiment pod jednou střechou
neznámý 3. 4. 2026
nakupuji poměrně často, doporučuji
neznámý 22. 3. 2026