Ložiska kuličková s kosoúhlým stykem 33.. (53..) dvouřadá 3304 (5304) utěsněná SKF 3304 A-2RS1TN9/MT33 kuličkové ložisko s kosoúhlým stykem

SKF 3304 A-2RS1TN9/MT33 kuličkové ložisko s kosoúhlým stykem

Výrobce:
SKF
Kód artiklu:
327748
Katalogové číslo:
L.3304-2RS ATN9 SKF
Množství skladem
3 ks
Skladem u dodavatele
522 ks - do 3 pracovních dnů
Minimální objednatelné množství:
1 ks
Skladem Když objednáte do 14:00 hodin, zboží doručíme 14. 4. 2026
Cena s DPH 1 167,17 Kč
Cena bez DPH 964,55 Kč
Množství od Cena bez DPH/ks Cena s DPH/ks Celkem s DPH
1 ks 964,55 Kč 1 167,17 Kč 1 167,17 Kč
Popis produktu
SKF Explorer 3304 A-2RS1TN9/MT33 - nerozebíratelné dvouřadé kuličkové ložisko s kosoúhlým stykem s optimalizovanou vnitřní konstrukcí bez plnících drážek, plastovou klecí z polyamidu 6,6 zesíleného skelnými vlákny vedenou dvěma řadami kuliček, oboustranným třecím těsněním a s normální axiální vůlí.
Těsnění jsou vyrobena z olejivzdorné a otěruvzdorné pryže, která je navulkanizovaná na kovovou výztuhu a jsou zalisována do zápichů ve vnějším kroužku. Těsnící břity se opírají o zkosené hrany vnitřního kroužku. Ložisko je naplněno kvalitním plastickým mazivem třídy 3 dle stupnice NLGI s teplotním rozsahem od -30°C do +120°C pro celou dobu životnosti ložiska.
Ložisko má stykový úhel 30° a valivá tělesa jsou uspořádána jako u sdružené dvojice jednořadých kuličkových ložisek s kosoúhlým stykem v konfiguraci "O", tedy zády k sobě. Ložisko může přenášet radiální i obousměrná axiální zatížení.
Ložiska SKF třídy Explorer představují novou třídu výkonných valivých ložisek, nabízí podstatné zvýšení hlavních provozních parametrů, jako jsou hlučnost, vibrace, vývin tepla, provozní spolehlivost, dynamická únosnost a jsou vyráběna s vyšší přesností než normální. Přesnost rozměrů odpovídá třídě přesnosti P6.

Způsoby balení

Název Množství Skladem
ks 1 3
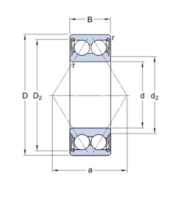
Parametry
Klec polyamidová
Materiál ocel
Profil díry válcová
Průměr d (mm) 20
Průměr D (mm) 52
Šířka B (mm) 22,2
Teplota maximální °C +110
Teplota minimální °C -30
Těsnění oboustranné - pryž
Tvar vnějšího kroužku bez příruby / drážky
Typ kuličkové ložisko s kosoúhlým stykem
Úhel ( ° ) 30°
Vůle normální
Značení 3304 A-2RS1TN9/MT33
Značka výrobce SKF
Alternativní zboží
Zobrazuji zboží 1 - 1 z 1

Související
Zobrazuji zboží 1 - 6 z 6
  • WD-40 - 100 ml univerzální mazivo

    WD-40 - 100 ml univerzální mazivo - N1
    Kód artiklu: 905361

    Nejprodávanější víceúčelové mazivo na světě.

    66,61 Kč s DPH
    55,05 Kč
    Skladem 329 ks
    Při nákupu 1 ks je cena za 1 ks: 66,61 Kč 55,05 Kč bez DPH
    Při nákupu 6 ks je cena za 1 ks: 65,28 Kč 53,95 Kč bez DPH
    Při nákupu 12 ks je cena za 1 ks: 64,61 Kč 53,39 Kč bez DPH
    Při nákupu 24 ks je cena za 1 ks: 64,61 Kč 53,39 Kč bez DPH
  • Posuvné měřítko s hloubkoměrem a tlačítkem 150/0,02mm, FESTA 14004

    Posuvné měřítko s hloubkoměrem a tlačítkem 150/0,02mm, FESTA 14004 - N1
    Kód artiklu: 130131

    370,26 Kč s DPH
    305,98 Kč
    Skladem 4 ks
    Při nákupu 1 ks je cena za 1 ks: 370,26 Kč 305,98 Kč bez DPH
  • Loctite AA 3494 - 25 ml UV konstrukční lepidlo

    Loctite AA 3494 - 25 ml UV konstrukční lepidlo - N1
    Kód artiklu: 981037

    Loctite 3494, odolný vlhkosti, vysoká průhlednost, nízké žloutnutí.

    1 525,09 Kč s DPH
    1 260,33 Kč
    Skladem 16 ks
    Při nákupu 3 ks je cena za 1 ks: 1 509,84 Kč 1 247,73 Kč bez DPH
    Při nákupu 5 ks je cena za 1 ks: 1 509,84 Kč 1 247,73 Kč bez DPH
    Při nákupu 10 ks je cena za 1 ks: 1 494,59 Kč 1 235,13 Kč bez DPH
  • Debbex Akryl EXTERIÉR - 280 ml šedá, kartuše

    Debbex Akryl EXTERIÉR - 280 ml šedá, kartuše - N1
    Kód artiklu: 905001

    Jednosložkový plasticko-elastický akrylátový tmel s antikorozní ochranou a vysokou odolností vůči UV záření a mrazu. Určen pro tmelení spár v exteriéru i interiéru s dilatační schopností ± 12,5 %.

    66,93 Kč s DPH
    55,31 Kč
    Skladem 2014 ks
    Při nákupu 3 ks je cena za 1 ks: 66,26 Kč 54,76 Kč bez DPH
    Při nákupu 6 ks je cena za 1 ks: 65,59 Kč 54,20 Kč bez DPH
    Při nákupu 12 ks je cena za 1 ks: 64,92 Kč 53,65 Kč bez DPH
  • Sada rázových hlavic prodloužených 1/2" 10-30mm 7.dílná sada Kennedy

    Sada rázových hlavic prodloužených 1/2" 10-30mm 7.dílná sada Kennedy - N1
    Kód artiklu: 110426

    Kvalitní chrom-molybdenová ocel. Laserem vypalované označen. Kufřík z odolného plastu. Vyhovují normám: Metrická DIN 312

    1 668,59 Kč s DPH
    1 378,92 Kč
    Není skladem
  • Tabulka zákaz kouření a vstupu s plamenem

    prázdný obrázek
    Kód artiklu: 180006

    31,36 Kč s DPH
    25,92 Kč
    Není skladem

  • Jsme na trhu 30 let Stále zlepšujeme služby

  • Expedujeme ihned při objednávce do 14 hod

  • Bezplatná výměna Omyl v objednávce?
    Není problém

Výhody nákupu

75367 produktů máme skladem
97 % spokojených zákazníků
96 % zásilek odesláných do 48 hodin

Ověřeno našimi zákazníky

Rozdílný sortiment pod jednou střechou
neznámý 3. 4. 2026
nakupuji poměrně často, doporučuji
neznámý 22. 3. 2026